- 分類
- 鋼結構網架設計 北京鋼結構設計 北京加固設計 北京網架設計 鋼結構鋼結構停車場設計 鋼結構鋼結構螺旋樓梯設計 鋼結構蹦極設計 鋼結構玻璃棧道設計 鋼結構跳臺設計 鋼結構異形設計 鋼結構有限元分析設計 裝飾幕墻設計 裝飾工裝設計 裝飾家裝設計 建筑方案設計 建筑施工圖設計 建筑消防設計 建筑效果圖設計 結構砌體設計 結構框架設計 結構機械鋼結構設計 結構地下室設計 結構污水處理池設計 結構工業(yè)裝備設計 結構電力行業(yè)設計 結構工業(yè)鋼結構設計 結構橋梁鋼結構設計 鋼結構網架施工 鋼結構桁架施工 鋼結構門式鋼架施工 鋼結構框架施工 鋼結構鋼結構停車場施工 鋼結構鋼結構螺旋樓梯施工 鋼結構蹦極施工 鋼結構玻璃棧道施工 鋼結構跳臺施工 裝飾幕墻施工 裝飾工裝施工 裝飾家裝施工 建筑方案施工 建筑施工圖施工 建筑消防施工 結構砌體施工 結構框架施工 結構機械鋼結構施工 結構地下室施工 結構污水處理池施工 結構工業(yè)裝備施工 結構電力行業(yè)施工 結構工業(yè)鋼結構施工 結構橋梁鋼結構施工 全國鋼結構廠 北京加固設計(加固設計公司) 北京加固施工
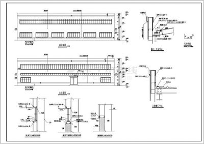
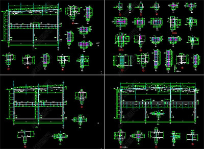
建筑施工圖設計2795
建筑施工圖設計



























